研选课堂
HOME
研选课堂
正文内容
plc网络编程教程简单 PLC编程很难吗?其实用对方法,就很容易!附5大PLC编程技术方法
发布时间 : 2025-12-30
作者 : 小编
访问数量 : 23
扫码分享至微信

PLC编程很难吗?其实用对方法,就很容易!附5大PLC编程技术方法

根据下图的三相交流电动机正反转控制的主电路,设计一个PLC控制电动机正停反的控制系统。控制要求如下:

(1)正常情况下,按启动按钮SB1,电机正转,按下反转启动按钮SB2,电机反转。

(2)电机启动后,按下停止按钮SB3并等待5秒钟之后,才可以改变电动机的旋转方向;

(3)如果SB1和SB2同时按下,电动机停止转动,并且不起动,同时报警灯L1亮1秒暗1秒不断闪烁。此时按SB3停止按钮进行复位。

首先我们先确定一下按钮、KM的使用辅助触点情况,这里是正反转的主回路,主回路必须有互锁电路,其他的按钮用常开触点。

下面是PLC的输入输出点表:

根据题意(1) 编程:这里根据题意1,只需2个自保持电路即可。

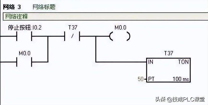
题意(2) 要求按停止按钮5秒后才能改变电机方向,所以这里需设置一个标志位,这里用M0.0。

并且加上程序互锁电路,具体如下:

首先在2个自保持回路中加入互锁电路——网络1的Q0.1常闭点和网络2的Q0.0常闭点。题意2说按下停止按钮后5秒,才能按启动按钮,所以网络3按下I0.2停止按钮后,M0.0得电自保持,计时器T37计时5s后,将M0.0的自保持回路停掉。并且在网络1和网络2中加M0.0的常闭点,使M0.0得电时网络1和网络2即使按了正转按钮或者反转按钮也不会使Q0.0或Q0.1得电。

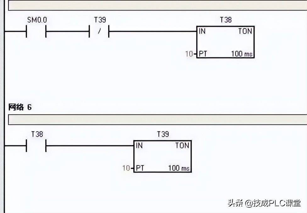
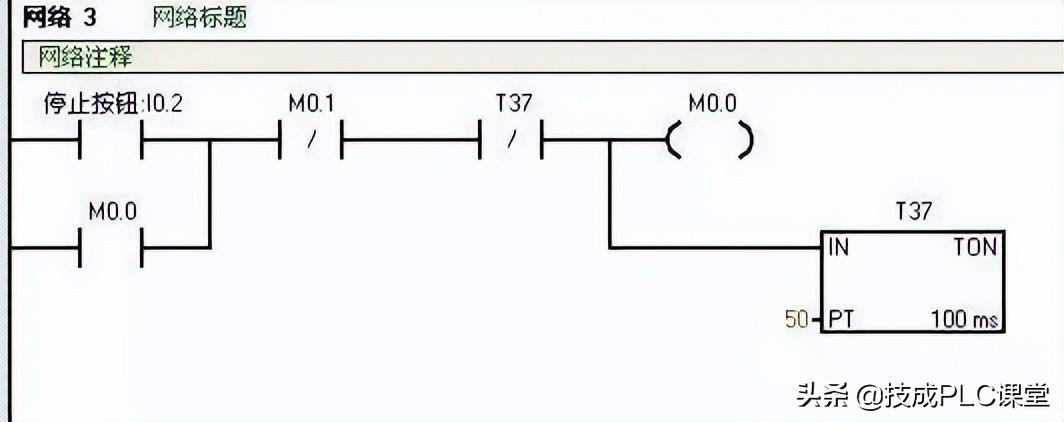
题意(3) 要求SB1和SB2同时按下,电动机停止转动,并且不起动,同时报警灯L1亮1秒暗1秒不断闪烁。编程如下:

这次增加了网络4/5/6,网络5和6就是利用2个计时器产生一个一秒脉冲的小程序,SM0.0为特殊位,其功能为一直得电。网络4就是利用M0.1将网络1/2/3锁死,也就是说M0.1得电网络1.2.3是不起作用的。其原理与上一小结的M0.0一样。

以上就是这个实例的全部编程。

正所谓万丈高楼平地起,如果你叫小编一口气编出来,小编也是很为难的。但是,将题意一点点拆分,一点点地把所需的功能写入,最后一定可以合你心意。最后你看看编完的程序与最初的程序差了多少?

接下来,小编给大家介绍5种PLC编程方法:经验法、解析法、图解法、技巧法及计算机辅助设计法。

(1)经验法 :

运用已掌握的成功设计经验,结合实际的情况,选择与实际情况类似的一个或若干个成功的程序,或具有一些典型功能的标准程序作为“样机”,对“样机”逐一修改,直至满足新的任务要求。在工作过程中,应多收集与积累这些“样机”,从而不断丰富自己的经验。

(2)解析法 :

PLC用于逻辑控制的编程方法可根据组合逻辑或时序逻辑的理论,并运用相应的解析方法,对其进行逻辑关系的求解。然后,再根据求解的结果,或画成梯形图,或直接编写指令表。解析法比较严密,可以运用一定的标准,使程序优化与算法化,并可避免编程的盲目性,是一种比较有效的方法。

(3)图解法:

图解法是靠画图进行PLC程序设计。

常见的主要有3种方法:梯形图法、波形图法以及流程图法。

梯形图法是最基本的方法。无论是经验法,还是解析法,若用梯形图编写PLC程序,就要用到梯形图法。

波形图法很适合于时序控制电路。它先把对应信号的波形画出,再根据时间用逻辑关系去组合,就可以很容易地把电路设计出来。

流程图法是用框图来表示PLC程序的执行过程及输入条件与输出间的关系。在步进控制中,用它进行设计是很方便的。

(4)技巧法

技巧法是在经验法及解析法的基础上,运用技巧进行编程,以提高进行编程的质量。巧妙地使用PLC所提供的多种功能指令进行编程,是对已有经验的“升华”,做到熟能生巧,实现创造性的编程。

(5)计算机辅助设计

PLC可通过上位连接单元与微型计算机连接,并运用微型机进行联机辅助编程。计算机辅助编程,应有相应的软件做支持。现有的编程软件可把梯形图翻译成指令表。编程时,可先在计算机屏幕上设计梯形图,然后再将该梯形图转换成对应的指令表。这种编程软件有现成的,例如,日本三菱公司的MEDOC和GPP等

总结以上5种编程方法是不能截然分开的。如经验法、解析法、技巧法都要用到图解法,而技巧法又是经验法的升华。

转发是最大的鼓励!谢谢您的支持!

小贴士

PLC专属资料: 含有从入门到高级所有PLC学习资料(三菱/西门子/欧姆龙) ,电气经典18本大全书,历年电气考试真题、电气必备实训仿真软件、电气自动化行业各类型技术手册!

电工:老师傅一步步教你入门PLC编程,这样你总可以学会了吧!

电力作业人员都知道,PLC的在工业生产和自动化发展中的应用越来越广泛,作为繁重的交流接触器配电柜和继电器控制柜的替代者,PLC具有体积小,反应快,能耗低,操作简单,维护方便,集中控制等优点。在实际的操作中,受到了广大电气人的喜爱,掌握PLC相关知识是电力作业人员的必备技能,但是还是有很多的电工师傅对于PLC不是很了解,甚至没有入门,其实想要入门学习PLC是很简单的。

为了能够更好的理解PLC控制过程,我们以最经典最简单的:电动机双重连锁正反转控制电路来分析说明,电动机控制电路图如下所示:

一,PLC工作电源的接入:PLC上有电源标识,按要求接入电源即可。

二,电动机双重连锁正反转PLC编程说明:

电路图中:SB1—停止按钮—X0—红按钮。

电路图中:SB2—正转按钮—X1—黄按钮。

电路图中:SB3—反转按钮—X2—蓝按钮。

PLC外部接线图如下图所示:

三,PLC编程的工作逻辑(和电路图逻辑一样)。

四,PLC的I/O点分配表及系统编程功能的逐步实现(熟练后可以直接写出来编程语言,不用一步步画和写)。

五,PLC编程的逐步实现。

六,最终PLC双重联锁正反转控制程序完成,输入PLC程序运行即可。

七,关于PLC常用的控制过程解析:

以上仅为PLC入门篇,说的不合适的地方还请见谅!PLC是电力作业人员的基本技能之一,入门简单,精通却不容易,需要坚持学习,不断练习,欢迎关注,一起交流学习电气电工知识!

相关问答

plc编程方法有几种?

PLC编程方法有以下几种:1.梯形图编程:梯形图编程是最常用的一种PLC编程方法,使用图形化的方式来表示逻辑控制程序。梯形图编程类似于电气图,可以直观地表示...

手报怎么与plc连接?

手报与PLC连接有两种方式:第一种是通过模拟输出方式连接,将手报输出的模拟信号接入PLC,然后通过编程将其与其他设备相连接;第二种是通过数字输出方式连...

plc寻址编程方法?

1.PLC寻址编程方法有多种。2.首先,常见的一种方法是直接寻址编程,即通过指定PLC的输入输出点的地址来进行编程。这种方法简单直接,适用于简单的控制任务。另...

零基础怎么学PLC编程?

学习PLC编程,需要从以下几个方面入手:学习PLC基础知识,包括PLC的组成、工作原理、常见元器件等;学习PLC编程语言,包括指令集、程序结构、变量类型等;了...

1200plc的编程方法有哪几个?

这个问题,不好回答。我只能说一下思路。控制都容易,温度传感器变送出4---20mA信号,给PLC模拟量模块,然后模拟量输出模块输出4---20mA信号给你要控制的设备...

信捷XC系列PLC编程软件安装教程?

3、选择下一步。4、选择安装路径,建议默认路径,然后下一步。5、继续下一步。6、选择安装。7、等待安装过程。8、安装完成。扩展PLC编程的应用面广、功...

plc编程实例讲解?

当涉及PLC(可编程逻辑控制器)编程实例时,以下是一个简单的案例来说明:假设有一个自动灌装系统,该系统使用PLC来控制液体的进料和排出。系统中有一个传感器...

笔记本电脑怎样通过以太网连接plc?

要通过以太网连接PLC,您需要按照以下步骤进行操作:1.确保您的笔记本电脑和PLC都已连接到同一个局域网中。2.在笔记本电脑上打开“控制面板”,选择“网络和...

1200plc不同项目如何通讯?

要实现1200PLC之间的通信,可以使用不同的通信协议和方法。一种常见的方法是使用以太网通信,通过以太网模块连接PLC,并使用TCP/IP协议进行数据传输。另一种方...

怎么样用网线通过威纶通触摸屏监控plc?

怎么样用网线通过威纶通触摸屏监控plc我们先看下它的型号都有哪些,目前威纶通触摸屏的型号有cMT、eMT、MT和KT系列的,从4.3寸到15寸的屏幕。从官网上看按照性...

 媒介批评  杨蕾河南省民政厅厅长 
王经理: 180-0000-0000(微信同号)
10086@qq.com
北京海淀区西三旗街道国际大厦08A座
©2025  上海羊羽卓进出口贸易有限公司  版权所有.All Rights Reserved.  |  程序由Z-BlogPHP强力驱动
网站首页
电话咨询
微信号

QQ

在线咨询真诚为您提供专业解答服务

热线

188-0000-0000
专属服务热线

微信

二维码扫一扫微信交流
顶部