研选课堂
HOME
研选课堂
正文内容
台达plc编程写入 台达plc modbus数据写入
发布时间 : 2026-02-20
作者 : 小编
访问数量 : 23
扫码分享至微信

台达plc modbus数据写入

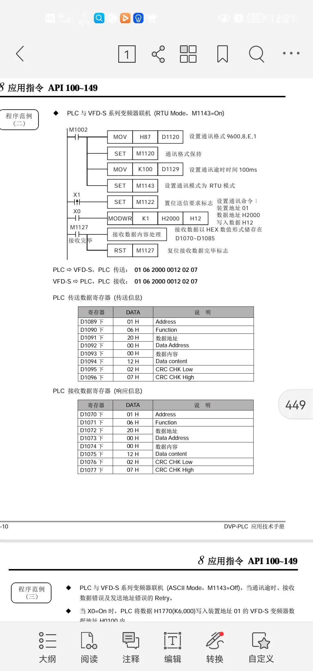
一般用rtu模式比较好理解。m1143为on。通讯格式要与通讯对象一致。站号不一样。

台达plc 万年历数据写入

相关问答

台达PLC与电脑l以太网连接,用labview怎么进行通讯及数据读写?

这个要和PLC里面的程序组合使用,你先理解TCP/IP协议,补充一句:以太网最好的PLC是西门子,没有之一这个要和PLC里面的程序组合使用,你先理解TCP/IP协议,补充一...

在线的大侠!急!急!急!如何plc用rs485读取台达温控器led输出...

[回答]现有方案简洁,但如需要更精确地控制每个加热片对应点的温度,可以采用台达多路温控模块DTE。一个红外片区域连接DTE的一个通道,直接使用DTE温控器PID...

台达触摸屏和台达plc通讯但是触摸屏控制不了plc的程序。求解...

台达触摸屏和台达plc通讯但是触摸屏控制不了plc的程序。求解。触摸屏写入读取地址如图,对不对。多点触摸屏讨论回答(3)PLC和屏通信成功了没?这个图看着没...

如何plc用rs485读取台达温控器led输出状态?,台达温控器需要...

[回答]是什么模拟量如果是温度台达PLC有自己的模拟量采集模块,跟扩展模块一样,用From,to来读取,写入数据,如果是外部设备的数据,支持Modbus通讯,可用通讯...

怎么把编好的PLC程序输入到PLC里面?

你说的把PLC程序输入到PLC设备里边的过程其实叫程序的下载,目前主要是2种下载方式,一通过串口线下载,二是通过网线下载。通过网线下载的方式,我在一些其他的...

各位看官,请解答一下!!台达触摸屏宏指令?,有了解长沙台达...

[回答]选项-设置模块参数-控制命令,为“画面编号”分配控制区,如图所示然后通过宏向画面编号分配地址传送数据,这里可以使用按钮或者下拉列表(把按...

plc大于等于的指令怎么写?

比较指令的格式:1.按下F8即应用指令2.然后写入><或=号或者大于小于加等于号的组合都可以3.再按下空格一次4.输入要比较第一个数值或地址5.空格一...

plc交替输出指令?

.这里使用的脉冲执行指令,含义为当X0接通一次,Y0输出,X0再次接通,Y0无输出。程序编写好之后,按工具栏的转换按钮将程序进行编译,然后按模拟测试按钮将程序写...

信捷PLC和台达触摸屏通信-ZOL问答

应该需要往触摸屏里写数据吧,首先把触摸屏设置好通信,能与PLC相互通信了,然后就可以在PLC编程,读写命令就好了,这样你想怎么对应自己安排就好了,应该这样,希望有...

大佬们,有人知道吗台达PLC控制温度DTC模块?台达plc销量怎么样?

[回答]这个是通讯写入命令H2就是温控表的modbus地址H1001是目标温度的地址有一台设备,PLC,HMI,温控仪DTC1000,都是台达的。又如何把设定值SV送到温控仪DT...

 朝鲜停战协议  襄阳市樊城区 
王经理: 180-0000-0000(微信同号)
10086@qq.com
北京海淀区西三旗街道国际大厦08A座
©2026  上海羊羽卓进出口贸易有限公司  版权所有.All Rights Reserved.  |  程序由Z-BlogPHP强力驱动
网站首页
电话咨询
微信号

QQ

在线咨询真诚为您提供专业解答服务

热线

188-0000-0000
专属服务热线

微信

二维码扫一扫微信交流
顶部