线下实训
HOME
线下实训
正文内容
plc编程有哪些设备 PLC与7种设备的不同连接方式,你知道吗?
发布时间 : 2026-02-21
作者 : 小编
访问数量 : 23
扫码分享至微信

PLC与7种设备的不同连接方式,你知道吗?

PLC常见的输入设备有按钮、行程开关、接近开关、转换开关、拨码器、各种传感器等,输出设备有继电器、接触器、电磁阀等。正确地连接输入和输出电路,是保证PLC安全可靠工作的前提。

1、PLC与主令电器类设备的连接

图1是与按钮、行程开关、转换开关等主令电器类输入设备的接线示意图。图中的PLC为直流汇点式输入,即所有输入点共用一个公共端COM,同时COM端内带有DC24V电源。若是分组式输入,也可参照图下图的方法进行分组连接。

▲图1 PLC与主令电器类输入设备的连接

2、 PLC与旋转编码器的连接

旋转编码器是一种光电式旋转测量装置,它将被测的角位移直接转换成数字信号(高速脉冲信号)。因此可将旋转编码器的输出脉冲信号直接输入给PLC,利用PLC的高速计数器对其脉冲信号进行计数,以获得测量结果。不同型号的旋转编码器,其输出脉冲的相数也不同,有的旋转编码器输出A、B、Z三相脉冲,有的只有A、B相两相,最简单的只有A相。

▲图2 旋转编码器与PLC的连接

如图2所示是输出两相脉冲的旋转编码器与FX系列PLC的连接示意图。编码器有4条引线,其中2条是脉冲输出线,1条是COM端线,1条是电源线。编码器的电源可以是外接电源,也可直接使用PLC的DC24V电源。电源“-”端要与编码器的COM端连接,“+ ”与编码器的电源端连接。编码器的COM端与PLC输入COM端连接,A、B两相脉冲输出线直接与PLC的输入端连接,连接时要注意PLC输入的响应时间。有的旋转编码器还有一条屏蔽线,使用时要将屏蔽线接地。

3、 PLC与传感器的连接

传感器的种类很多,其输出方式也各不相同。当采用接近开关、光电开关等两线式传感器时,由于传感器的漏电流较大,可能出现错误的输入信号而导致PLC的误动作,此时可在PLC输入端并联旁路电阻R,如图3所示。当漏电流不足lmA时可以不考虑其影响。

▲图3 PLC与两线式传感器的连接

式中:I为传感器的漏电流(mA),UOFF为PLC输入电压低电平的上限值(V),RC为PLC的输入阻抗(KΩ),RC的值根据输入点不同有差异。

4、PLC与多位拨码开关的连接

如果PLC控制系统中的某些数据需要经常修改,可使用多位拨码开关与PLC连接,在PLC外部进行数据设定。如图4所示,为一位拨码开关的示意图,一位拨码开关能输入一位十进制数的0~9,或一位十六进制数的0~F。

▲图4 一位拨码开关的示意图

如图5所示,4位拨码开关组装在一起,把各位拨码开关的COM端连在一起,接在PLC输入侧的COM端子上。每位拨码开关的4条数据线按一定顺序接在PLC的4个输入点上。由图可见,使用拨码开关要占用许多PLC 输入点,所以不是十分必要的场合,一般不要采用这种方法。

▲图5 4位拨码开关与PLC的连接

5、PLC与输出设备开关的连接

PLC与输出设备连接时,不同组(不同公共端)的输出点,其对应输出设备(负载)的电压类型、等级可以不同,但同组(相同公共端)的输出点,其电压类型和等级应该相同。要根据输出设备电压的类型和等级来决定是否分组连接。如图6所示以FX2N为例说明PLC与输出设备的连接方法。图中接法是输出设备具有相同电源的情况,所以各组的公共端连在一起,否则要分组连接。图中只画出Y0-Y7输出点与输出设备的连接,其它输出点的连接方法相似。

▲图6 PLC与输出设备的连接

6、 PLC与感性负载的连接

PLC的输出端经常连接的是感性输出设备(感性负载),为了抑制感性电路断开时产生的电压使PLC内部输出元件造成损坏。因此当PLC与感性输出设备连接时,如果是直流感性负载,应在其两端并联续流二极管;如果是交流感性负载,应在其两端并联阻容吸收电路。如图6-10所示。

▲图7 PLC与感性输出设备的连接

图中,续流二极管可选用额定电流为1A、额定电压大于电源电压的3倍;电阻值可取50~120Ω,电容值可取0.1~0.47μF,电容的额定电压应大于电源的峰值电压。接线时要注意续流二极管的极性。

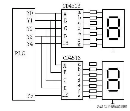
7、PLC与七段LED显示器的连接

PLC可直接用开关量输出与七段LED显示器的连接,但如果PLC控制的是多位LED七段显示器,所需的输出点是很多的。

▲图8 PLC与两位七段LED灯显示器的连接

如图8所示,电路中,采用具有锁存、译码、驱动功能的芯片CD4513驱动共阴极LED七段显示器,两只CD4513的数据输入端A~D共用PLC的4个输出端,其中A为最低位,D为最高位。LE是锁存使能输入端,在LE信号的上升沿将数据输入端输入的BCD数锁存在片内的寄存器中,并将该数译码后显示出来。如果输入的不是十进制数,显示器熄灭。LE为高电平时,显示的数不受数据输入信号的影响。显然,N个显示器占用的输出点数为P=4+N。

如果PLC使用继电器输出模块,应在与CD4513相连的PLC各输出端接一下拉电阻,以避免在输出继电器的触点断开时CD4513的输入端悬空。PLC输出继电器的状态变化时,其触点可能抖动,因此应先送数据输出信号,待该信号稳定后,再用LE信号的上升沿将数据锁存进CD4513。

(此处已添加圈子卡片,请到今日头条客户端查看)

PLC编程对电脑要求高吗?PLC编程电脑要怎么配置,多少价格合适?

PLC编程用什么电脑最好?

PLC编程买什么样的笔记本,老师可以推荐一下吗?

PLC编程对电脑要求高吗?PLC编程电脑配置要怎么样,多少价格的合适?

以上问题是很多初学PLC的人常问的问题,随着各厂家组态、编程软件功能的不断增强,对计算机的要求也是越来越高,部分耗内存的软件功能强大,但是对计算机运行速度影响也是相当大的,配置低的笔记本电脑在速度上很难满足要求,所以最好是配置相对较高的电脑。当然也是要根据个人经济承受能力选择最佳的性价比的电脑。

以下是我给大家的一些的意见,从安装内存、处理器、价位、系统方面出发,希望对大家有帮助。

一、安装内存

其实PLC编程对电脑的配置要求并不苛刻,安装内存在8GB以上,最佳为16GB,特别是学习西门子的学员,因为他们要安装TIA博途软件。想要查看电脑的安装内存,可以通过控制面板来查看,路径:控制面板\所有控制面板项\系统。

TIA博途是全集成自动化软件TIA portal的简称,是西门子工业自动化集团发布的一款全新的全集成自动化软件。它是业内首个采用统一的工程组态和软件项目环境的自动化软件,几乎适用于所有自动化任务。借助该全新的工程技术软件平台,用户能够快速、直观地开发和调试自动化系统。

它适用于西门子300、400、1200、1500等系列,在你同时学多个系列的时候,安装博途会更方便,但是这款软件在8-10GB,安装内存也就耗费的更多,如果安装内存太少,可以会带不动,到时候奇卡无比。建议只学一个系列的学员,只需要安装对应的软件。

二、处理器

处理器最好买i7的,i5处理器没有超线程的功能,i7的一般都具备。i7处理器拥有的二级缓存要比i5多,这是最主要的差距。电脑更大的缓存可以用RAM来加强性能、降低损耗。搞工控的对RAM的要求更高一点,选择i7的处理器最佳。

三、价格

有经济能力的,最好买至少4000元左右的电脑,笔记本或者台式都是可以的,但是能买台式最好了,笔记本比较适合出差使用。

台式机i7和笔记本i7的区别如下:

1、处理器的运算能力,桌面版的i7运算能力大于笔记本版的i7处理器。

2、处理器的渲染能力,桌面版的酷睿i7相比移动版在运算能力上领先。

3、参数之间的差异。

4、平台定位的差异,移动版的酷睿i7处理器默认频率较低。

推荐购买戴尔、华硕、联想这样的大品牌,从来没有听说过的品牌建议不要买,很容易被坑。

四、系统

电脑是什么系统最重要,大部分初学者安装PLC软件,都会被这样一个小小的软件搞疯,有的甚至能纠结一两个星期。工控软件和win7系统兼容性是最高的,其次是win10系统,最次是win8系统。

除了系统选择要注意,用什么样的系统版本也非常的重要,比如win7有以下几个版本:

l Windows 7 Home Basic(家庭普通版)

l Windows 7 Home Premium(家庭高级版)

l Windows 7 Professional(专业版)

l Windows 7 Enterprise(企业版)

l Windows 7 Ultimate(旗舰版)

系统除了有版本的区分外,还有来源的区分,原版系统、纯净版系统、ghost版系统。原版就是微软发布的系统,除了系统没有其他东西,需要自己激活或者购买激活码。

大家最好别选GHOST系统,Ghost系统是在微软原版系统上进行修改,至于修改了什么只有修改者自己知道了,修改后利用GHOST软件进行封装。

从功能上看,Win7旗舰版功能是最全,从工控软件的兼容性来看,win7旗舰版也是比其他系统好。

总之,大家最好用纯净版的win7旗舰版系统,此系统的兼容性最高,也是各大PLC编程软件能安装的,win10还有很多软件不能兼容。

你在购买电脑的时候,可以委托卖家帮你安装好,说明你的要求,当然你也可以自己鼓捣,算是学了一门技术。

同时给大家一个意见,系统不兼容的时候,还可以安装虚拟机,在虚拟机里安装系统,相当于系统里的系统,对外面的系统不影响。

今天就分享到这里了,一台电脑的价格并不低,买一个适合自己的最好,千万不要被那些套路坑到,适合自己的才是最好的。(技成培训原创,未经授权不得转载,违者必究!)

相关问答

plc设备有哪些?

可编程逻辑控制器(PLC)设备包括:CPU:中央处理器单元,负责执行控制程序。I/O模块:输入/输出模块,连接到传感器、执行器和其他设备进行数据交换。电源:...可...

哪些产品用到PLC?

PLC产品主要用于生产过程控制。它利用内部程序的逻辑控制取代早期的物理接线逻辑,能够快速更换产品的生产工艺,为产品的升级更新提供了有力的支持。根据设备...

plc不同品牌设备的编程区别?

不同厂家PLC的编程语言一般不一样的。主流的有西门子和三菱。不同厂家,不同型号的PLC的编程语言只能适应自己的产品。IEC中的PLC编程语言标准中有五种编程语...

plc用在什么机器上?

PLC(可编程逻辑控制器)被广泛应用于工业自动化领域,通常安装在各种工业机器和设备上,如生产线、机械设备、包装机、输送系统、压力设备等。它们通过接收传感...

什么小设备用到plc?

PLC是一种可编程逻辑控制器,通常用于自动化控制系统和工业生产中。以下是一些可能使用到PLC的小设备或应用:1.自动化生产线:PLC可以控制生产线上的各种机械和...

欧姆龙PLC编程的时候,那里有选择设备类型和网络类型,这两个...

网络类型是选择CPU型号与外部的通信协议,一般串口都是用TOOLBUS,端口就是你连接到PLC的COM口,具体你看看你的设备管理器;设备类型是PLC的型号。设备类型就是P...

plc程序怎么导入设备?

导入PLC程序到设备通常涉及以下步骤:1.准备PLC软件和程序文件:确保你有正确版本的PLC程序和相关软件。常见的PLC软件有SiemensSTEP7和RockwellRSLogix等...

我想要买笔记本电脑,我是学电子的,主要用于许多编程(PLC编程...

看来你主要是用来办公,主要是要求稳定,推荐thinkpad系列,纯商务机,前身是IBM,稳定性质量有保证,被联想收购后,后期比较有保障,联想的后期是公认的,个人意见,不好...

PLC所编制的程序是输入到什么里,在是怎么控制机器工作的?麻烦大侠门多说点,本人是个菜鸟。说的直白点?

程序进入存储器,cpu按照程序按周期扫描,检测输入,及其其他条件,然后输出,控制执行器,如电机,汽缸,等等程序进入存储器,cpu按照程序按周期扫描,检测输入,及其...

plc输出设备包括什么?

有感应开关,伺服电机,继电器,等等有感应开关,伺服电机,继电器,等等

 空中梯队  东四十条富华大厦 
王经理: 180-0000-0000(微信同号)
10086@qq.com
北京海淀区西三旗街道国际大厦08A座
©2026  上海羊羽卓进出口贸易有限公司  版权所有.All Rights Reserved.  |  程序由Z-BlogPHP强力驱动
网站首页
电话咨询
微信号

QQ

在线咨询真诚为您提供专业解答服务

热线

188-0000-0000
专属服务热线

微信

二维码扫一扫微信交流
顶部