课程中心
HOME
课程中心
正文内容
plc报警器编程 三菱FX PLC系列报警系统编写
发布时间 : 2026-03-25
作者 : 小编
访问数量 : 23
扫码分享至微信

三菱FX PLC系列报警系统编写

一个完整的设备应包含手动功能,保护功能,报警功能,自动运行功能等等,今天我们介绍FX系列如何做一个报警系统。

1. 基础介绍

状态S,S0~S899,S1000~S3999为步进阶梯使用的软元件,S900~S999是分配为报警系统使用的软元件,叫信号报警器

M8049,报警监视启动标志,用来启动报警监视功能

M8048,报警触点,当信号报警器(S900~S999)任一得电时,M8048就会闭合,前提需要将M8049得电,进行激活监视功能

2. 报警方式介绍

报警自动复位型,这种编写方式的好处是当报警条件断开时,会自动复位报警

多个条件报警,自动复位型。如果有多个条件满足,就产生一个报警,当然其中一个报警条件断开,自动复位报警

延时报警,自动复位型。当某些报警条件满足时,不能认为就是故障,可以是误动作,我们可以加入延时进行断定,如果接通时间进过我们的设定值时,可以认定就是报警!

报警发生自保持方式。当某些报警发生时不能自动复位,需要一直保持,直至用户进行确定,才允许消失,我们可以使用SET方式启动报警,让其自保持

多条件报警发生自保持方式

延时报警,自保持型

3. 复位报警方式

单一复位报警类型。当需要进行单个进行复位可以使用这个方式

批量复位报警。如果想要所有报警复位,可以成批复位指令,将所有的报警给复位

单一复位,如果需要按下复位按钮,就复位一条报警,可以使用ANR指令,自动复位一条已发生的报警

报警监视启动与报警触点输出功能,利用M8048可以检测报警是否发生,输出报警指示灯,或蜂鸣器.

本文由技成培训网温寿发老师原创,未经授权不得转载

↓↓↓下载可免费观看西门子系列课程

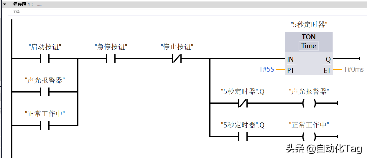
教你学编程9 - 西门子PLC - 基本指令 - 产线启动预警程序编写

大型生产线在程序设计启动整条生产线时,往往有一个启动预警的程序。其目的是产线启动时发出声光报警,提醒所有在场的人员产线要开启,请核查人员、设备安全情况下可以正常启动,如果发现有不符合产线启动的条件可以在预警时间内停止启动。

产线启动预警程序流程:

当按下生产线的【启动】按钮后,【声光报警器】开始报警,5秒后,报警停止,生产线正常生产;

在【声光报警器】报警或正常生产时,可以随时按下【停止】/【急停】按钮,取消或停止启动流程。

分析工艺:

工艺要求有5秒的定时,那么肯定要用到定时器。生产线的启动分为两个阶段:5秒预警阶段和正式生产阶段。这两个阶段的转换条件就是5秒定时。

程序编写:

预警程序编写

可以看到,此预警程序与电机的星三角降压启动类似,都是通过定时器对两个不同阶段的转换。所以,编写PLC程序重要的是思维逻辑。西门子PLC提供的指令非常多,但是常用的就是那么几个,用这几个指令加上工艺就可以实现项目要求。可见学PLC不是简单的熟悉几个指令就可以的,还要锻炼我们的思维逻辑。

今天PLCSIM仿真器出现故障就不给大家仿真演示了。等重做系统后,我再把文章内容阐述不详细、不好表述的内容录制几个视频放在这里,以供初学者学习,探讨。

相关问答

三菱plc怎么查看程序里的报警?

回答如下:要查看程序里的报警,可以按照以下步骤操作:1.进入三菱PLC的编程软件(比如GXWorks3)。2.打开你要查看的程序。3.在编程软件的菜单栏中选择“...

PLC汽车防盗器怎么把静音解除了啊不知道按了哪个键现在是...

[最佳回答]防盗器的静音落锁不是设置的问题每次静音落锁之后重新正常锁车就解除了所以说不是防盗器的问题你检查下喇叭是不是喇叭打铁不好用电笔测下防...

铁将军PLC—3000汽车防盗器图纸-森眸暖光的回答-懂得

检查防盗器的开关锁信号线的保险丝如果不是保险丝的问题再检查接线如果还不行可能触发配错了检查防盗器的开关锁信号线的保险丝如果不是保险丝...

三菱plc编程指令?

展开全部以下是三菱plc常用的指令,还有不懂的可以问我一程序流程控制指令—FNC00~0900CJ条件转移01CALL子程序调用02SRET子程序返回03IRET中断...

报警器显示,波峰焊plc监控错误,请检查连接线,这怎么处理?

继楼上再补充下。1.远程模块站号有没有设置正确2.比特率是否一致3.cc-link线是否有过短(短于30cm)4.程序cclink参数是否设置正确(站的预约、站数设定、IO分...

PLC的CPU有哪几种存储器?

PLC常用以下几种存储器:(1)随机存取存储器:(RAM)用户可以用编程器读出RAM中的内容,也可以将用户程序写入RAM,因此RAM又叫读/写存储器。它是易失性...PLC常...

市电停电报警的原理及报警方式有哪些?

一、概述目前,对电能质量监视一般是测试人员到现场进行,测试时间长,且到现场操作,每次只是单点监视。多点自动监视是一种高效的监视手段,是发展趋势。对电...漏...

一个现场报警的问题-盖德问答-化工人互助问答社区

可以用一个次显示仪表,显示罐的液位,二次表可以输出报警,和闪光报警器构在回路就行了.这样液位又可以显示,也可以报警楼上说得不错,顶装浮球带开关...

变频器下口能接声光报警器么?

变频器是一种电力调节设备,主要用于控制电机的运转速度和转矩,不鼓励在其下口接声光报警器。尽管变频器输入和输出口都可以接通讯接口和其他的控制接口,但通...

奥瑞那可燃气体探测器怎么接线?

奥瑞那可燃气体探测器主要有两个接口,一个是用于接电源的接口,另一个是用于接探测器的信号输出线的接口。在安装时,首先需要将电源线与电源正负极分别连接到...

 贱人曾  离不离律师事务所 
王经理: 180-0000-0000(微信同号)
10086@qq.com
北京海淀区西三旗街道国际大厦08A座
©2026  上海羊羽卓进出口贸易有限公司  版权所有.All Rights Reserved.  |  程序由Z-BlogPHP强力驱动
网站首页
电话咨询
微信号

QQ

在线咨询真诚为您提供专业解答服务

热线

188-0000-0000
专属服务热线

微信

二维码扫一扫微信交流
顶部